STOD03A
Obsolete
Design Win
Dual DC-DC converter for powering AMOLED display

Download datasheet

Product overview

概要

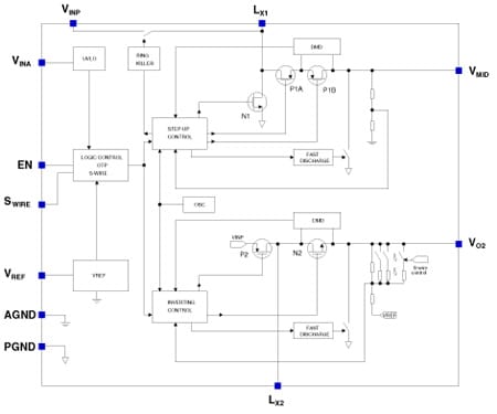
The STOD03A is a dual DC-DC converter for AMOLED display panels. It integrates a step-up and an inverting DC-DC converter making it particularly suitable for battery operated products, in which the major concern is overall system efficiency. It works in pulse skipping mode during low load conditions and PWM-MODE at 1.5 MHz frequency for medium/high load conditions. The high frequency allows the value and size of external components to be reduced. The Enable pin allows the device to be turned off, therefore reducing the current consumption to less than 1 μA. The negative output voltage can be programmed by an MCU through a dedicated pin which implements single-wire protocol. Soft-start with controlled inrush current limit and thermal shutdown are integrated functions of the device.

  • All features

    • Step-up and inverter converters
    • Operating input voltage range from 2.3 V to 4.5 V
    • Synchronous rectification for both DC-DC converters
    • 200 mA output current
    • 4.6 V fixed positive output voltages
    • Programmable negative voltage by SWIREfrom - 2.4 V to - 5.4 V
    • Typical efficiency: 85%
    • Pulse skipping mode in light load condition
    • 1.5 MHz PWM mode control switching frequency
    • Enable pin for shutdown mode
    • Low quiescent current: < 1 μA in shutdown mode
    • Soft-start with inrush current protection
    • Overtemperature protection
    • Temperature range: - 40 °C to 85 °C
    • True-shutdown mode
    • Fast discharge outputs of the circuits after shutdown
    • Package DFN12L (3 x 3) 0.6 mm height

回路ダイアグラム

EDA Symbols, Footprints and 3D Models

STMicroelectronics - STOD03A

Speed up your design by downloading all the EDA symbols, footprints and 3D models for your application. You have access to a large number of CAD formats to fit with your design toolchain.

Please select one model supplier :

Symbols

Symbols

Footprints

Footprints

3D model

3D models