TDA2040

Obsolete
Design Win

20 W hi-fi audio power amplifier

Download datasheet

Product overview

Description

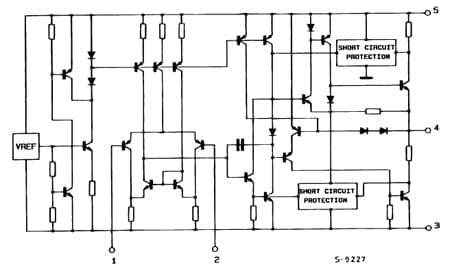
The TDA2040 is a monolithic integrated circuit in the Pentawatt®package, intended for use as an audio class-AB amplifier. Typically, it provides 25 W output power into 4 Ω with THD = 0.5% at VS= 34 V. The TDA2040 provides high output current and has very low harmonic and crossover distortion. Furthermore, the device incorporates a patented short-circuit protection system comprising an arrangement for automatically limiting the dissipated power so as to keep the operating point of the output transistors within their safe operating range. A thermal shutdown system is also included.

  • All features

    • Wide-range supply voltage, up to 40 V
    • Single or split power supply
    • Short-circuit protection to ground
    • Thermal shutdown
    • PO= 25 W @ THD = 0.5%, VS= ±17 V, RL= 4 Ω
    • PO= 30 W @ THD =10%, VS= ±17 V, RL= 4 Ω

Circuit Diagram

EDA Symbols, Footprints and 3D Models

The STMicroelectronics team - TDA2040

Speed up your design by downloading all the EDA symbols, footprints and 3D models for your application. You have access to a large number of CAD formats to fit with your design toolchain.

Please select one model supplier :

Symbols

Symbols

Footprints

Footprints

3D model

3D models