TDA7430

Obsolete
Design Win

Audio processor with surround sound matrix and voice canceller

Download datasheet

Product overview

Description

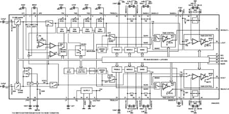
The TDA7430/TDA7431 is volume tone (bass middle and treble) balance (Left/Right) processors voice canceller for quality audio applications in car radio and Hi-Fi systems.

They reproduce surround sound by using programmable phase shifters and a signal matrix.

Control of all the functions is accomplished by serial bus. The AC signal setting is obtained by resistor networks and switches combined with operational amplifiers. Thanks to the used BIPOLAR/CMOS Technology,

Low Distortion, Low Noise and DC stepping are obtained.

  • All features

    • ALL FUNCTIONS PROGRAMMABLE VIA SERIAL BUS
    • 2 SPEAKERS AND 2 RECORD ATTENUATORS:\t\t2 INDEPENDENT SPEAKERS AND 2 INDEPENDENT RECORD CONTROL IN 1dB STEP FOR BALANCE FACILITY\t\tAVAILABILITY OF LOUDSPEAKER EQUALIZATION FIXED BY EXTERNAL COMPONENTS\t\tINDEPENDENT MUTE FUNCTION\t\t
    • 1 STEREO (4STEREO) INPUT + 1 MIXER INPUT
    • VOICE CANCELLER IS AVAILABLE
    • INPUT ATTENUATION CONTROL IN 0.5dB STEP
    • THREE SURROUND MODES ARE AVAILABLE\t\tMUSIC: 4 SELECTABLE RESPONSES\t\tMOVIE AND SIMULATED: 256 SELECTABLE RESPONSES\t\t
    • TREBLE MIDDLE AND BASS CONTROL

Circuit Diagram

EDA Symbols, Footprints and 3D Models

The STMicroelectronics team - TDA7430

Speed up your design by downloading all the EDA symbols, footprints and 3D models for your application. You have access to a large number of CAD formats to fit with your design toolchain.

Please select one model supplier :

Symbols

Symbols

Footprints

Footprints

3D model

3D models