M74HC4051

Obsolete
Design Win

Single 8-Channel Analog Multiplexer/Demultiplexer

Download datasheet

Product overview

Description

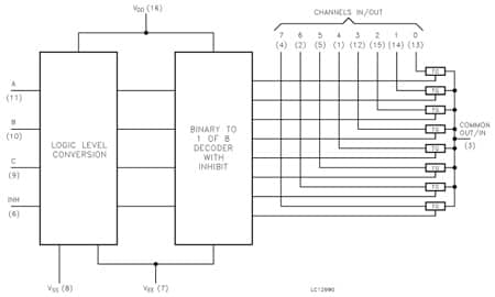
The M74HC4051 is a single 8-channel analog multiplexer/demultiplexer fabricated with silicon gate C2MOS technology, pin-to-pin compatible with the equivalent metal gate CMOS4000B series. It contains 8 bidirectional and digitally controlled analog switches.

A built-in level shifting is included to allow an input range up to ± 6 V (peak) for an analog signal with digital control signal of 0 to 6 V.

The VEE supply pin is provided for analog input signals. It has an inhibit (INH) input terminal to disable all the switches when is at high level. For operation as a digital multiplexer/demultiplexer, VEE is connected to GND.

A, B and C control inputs select one channel out of eight. All inputs are equipped with protection circuits against static discharge and transient excess voltage.

  • All features

    • High noise immunity: VNIH= VNIL= 28 % VCC(min.)
    • Low sine wave distortion: 0.02% at VCC - VEE = 9V
    • Pin and function compatible with 74 series 4051
    • High ON/OFF output voltage ratio
    • Low crosstalk between switches
    • Low power dissipation: ICC= 4µA(max.) at TA=25°C
    • Low ON resistance: 70Ω typ. (VCC - VEE = 4.5V) 50Ω typ. (VCC - VEE = 9V)
    • Logic level translation to enable 5V logic signal to communicate with ±5V analog signal
    • Fast switching: tpd = 15ns (TYP.) at TA = 25°C
    • Wide operating supply voltage range (VCC - VEE) = 2 TO 12V
    • Wide analog input voltage range: ±6V

Circuit Diagram

EDA Symbols, Footprints and 3D Models

The STMicroelectronics team - M74HC4051

Speed up your design by downloading all the EDA symbols, footprints and 3D models for your application. You have access to a large number of CAD formats to fit with your design toolchain.

Please select one model supplier :

Symbols

Symbols

Footprints

Footprints

3D model

3D models